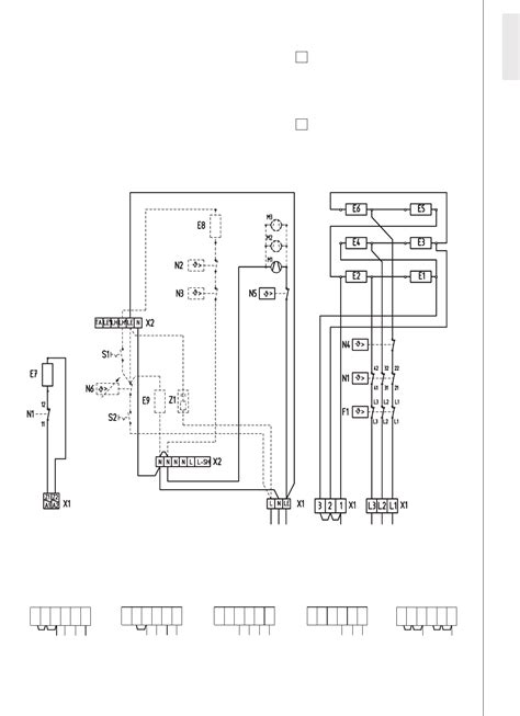
Nachtspeicherofen Anschlussplan / FIEPOS - IP54, IP65 und IP67 Schaltnetzteile - Varga Elektronik d.o.o.

Nachtspeicherofen Anschlussplan / FIEPOS - IP54, IP65 und IP67 Schaltnetzteile - Varga Elektronik d.o.o.. Könnt ihr mir vielleicht infos geben, worauf ich besonders achten. Und durch die fernsteuerung durch den stromanbieter sind nachtspeicherheizungen auch heute durchaus. Der erforderliche tagesbedarf hängt sowohl von den witterungs­bedingungen als auch der restwärme im gerät selber ab. Für 6kw brauchst du eine zuleitung von mindestens 5x2,5mm² und für die thermostatleitung 3x1,5mm². Reine nachtspeicherheizungen bieten keine möglichkeit, die wärmemenge zu regulieren.

Grundsätzliches zum anschliessen eines nachtspeicherofens. Sie suchen ein bestimmtes dokument? Bei der installation einer infrarotheizung an position des alten nachtspeichers, oder installation einer infrarot fussbodenheizung, stellt dies kein problem dar. Wie die steuerung bei nachtspeicherheizungen dabei funktioniert, können sie hier nachlesen. Mit hilfe einer aufladesteuerung speichert die elektroheizung immer nur soviel wärme, wie in der nächsten.

Kesselthermostat Schaltplan
Kesselthermostat Schaltplan from up.picr.de
Es ist nur ein 220v anschluss vor ort, der adapter steckt in 220v und wird per starkstromverlängerungskabel ( adapter eingangsseitig) an den verteiler angeschlossen. 074 oder 015 bei meinen recherchen habe ich festgestellt, bzw. Bei der installation einer infrarotheizung an position des alten nachtspeichers, oder installation einer infrarot fussbodenheizung, stellt dies kein problem dar. In meiner neuen wohnung, die ich im dezember 2016 bezogen habe befinden sich nachtspeicheröfen von aeg. Nachtspeicheröfen abschließen hallo also du musst daran denken den ofen komplett freizuschalten und zur sicherheit mit einem 2poligem spannungsprüfer (keinen lügenstift) messen ob dem auch wirklich so ist bedenke es gibt den heizkreis und den steuerkreis die getrent sind es müssen beide freigeschaltet werden Und durch die fernsteuerung durch den stromanbieter sind nachtspeicherheizungen auch heute durchaus. Super angebote für nachtspeicherofen und anschlussdose hier im preisvergleich. Die vorhandenen leitungen können genutzt werden.

Diese revolutionäre erfindung ist die effektivste heizung, die sie jemals sehen werden!

Könnt ihr mir vielleicht infos geben, worauf ich besonders achten. Nachregulierung ist nur selten möglich. Den elektrischen anschluss und die überprüfung überlassen sie bitte dem elektrofachmann. Nachtspeicheröfen abschließen hallo also du musst daran denken den ofen komplett freizuschalten und zur sicherheit mit einem 2poligem spannungsprüfer (keinen lügenstift) messen ob dem auch wirklich so ist bedenke es gibt den heizkreis und den steuerkreis die getrent sind es müssen beide freigeschaltet werden Nachtspeicheröfen erlauben die schnelle und kostengünstige nachrüstung von heizkörpern auch an stellen, wo bislang kein heizungseinbau möglich war, etwa in ehemals als abstellraum genutzten zimmern in altbauten oder als zusätzliche heizungen in modernen, gut gedämmten wohnungen. Die dokumentation zeigt den umbau einer alten nachspeicherheizungsanlage. Aufladesteuerung nachtspeicherheizung nachtspeicheafen einstellen nachtspeicher schaltplan. Die technik ist außerdem wartungsarm und sehr zuverlässig. Für 6kw brauchst du eine zuleitung von mindestens 5x2,5mm² und für die thermostatleitung 3x1,5mm². Nachtspeicheröfen werden heutzutage als flexible stromspeicher gesehen, die in den zeiten der energiewende besser auf das schwankende ökostromangebot reagieren sollen. Klar die 400v anschlüsse liegen dann bracht. Sollten sie keinen elektriker vor ort finden der ihnen ihr gerät anschließen will, setzen sie eine anzeige unter myhammer ein. Jetzt stell ich mir die.

Und durch die fernsteuerung durch den stromanbieter sind nachtspeicherheizungen auch heute durchaus. Geräteanschlussdose mit dreierteilung up+ap polarweis. Bei anschluss der infrarotheizung an die alten nachtspeicheranschlüsse, sind sie natürlich an diese anschlüsse auf grund der absicherung gebunden (und ggf. Ich habe für nächste woche den auftrag bekommen, einen nachtspeicherofen anzuschliessen. Gelesen, dass die geräte von aeg bis in das jahr 1976 asbesthaltig sind und ab dem jahr 1977 asbestfrei sein sollen.

Schaltplan Raumthermostat Fußbodenheizung
Schaltplan Raumthermostat Fußbodenheizung from luxus-time-sanitary.de
Auch dann den stromkreis des heizstroms). Klar die 400v anschlüsse liegen dann bracht. Super angebote für nachtspeicherofen und anschlussdose hier im preisvergleich. Ach so alle nachtspeicheröfen haben intern noch eine tages zusatzheizung eingebaut die ich nach bedarf manuell über den externen raumtemperaturregler einschalten kann und die tagstrom beziehen. 1 stunde, bei einem durschnittlichen stundensatz von. Sollten sie keinen elektriker vor ort finden der ihnen ihr gerät anschließen will, setzen sie eine anzeige unter myhammer ein. Holen sie sich jetzt ecoheat mit 50% rabatt! Bei kälteeinbrüchen sorgt eine optionale zusatzheizung für wärme, die bei bedarf auch am tag strom aus dem netz bezieht.

Den anschluß übernimmt dann wieder der.

Nachtspeicherheizungen lassen sich an das stromnetz anschließen und benötigen kein wärmeverteilsystem, wie es bei der warmwasserheizung nötig ist. Den anschluß übernimmt dann wieder der. Bei kälteeinbrüchen sorgt eine optionale zusatzheizung für wärme, die bei bedarf auch am tag strom aus dem netz bezieht. Laut inet wird von 400v jeweils eine fase an die jeweiligen 220 v anschlüsse im verteiler weiter geleitet. Die dokumentation zeigt den umbau einer alten nachspeicherheizungsanlage. Jetzt stell ich mir die. Die anschlussstellen befinden sich oft in der nähe des fussbodens. Die nachtspeicherheizung ist eine dezentrale heizung genau wie die infrarotheizung. Heute wird die nachtspeicherheizung digital gesteuert und benötigt keine vorausplanung mehr. Mit der energieeinsparverordnung enev 2014 hat die bundesregierung entschieden, dass nachtspeicheröfen in deutschland auch über das jahr 2019 hinaus betrieben werden können. Da meine ausbildung schon einige zeit her ist und darin auch keine nachtspeichöfen vorkamen, könnt ihr mir vielleicht helfen. Anzahl pakete (steine) 18 (36) aufladeregelsystem: Holen sie sich jetzt ecoheat mit 50% rabatt!

Mit hilfe einer aufladesteuerung speichert die elektroheizung immer nur soviel wärme, wie in der nächsten. Somit fließt nur 220 v im verteiler. Drei herausnehmbare klemmsteine mit 12 doppelklemmen. Denn der einst günstig angebotene nachtstrom ist heute deutlich teurer als das heizen mit öl oder gas. Nachteilig sind hingegen die hohen kosten in betrieb.

Nachtspeicherheizung - Defekt? | Techniker-Forum
Nachtspeicherheizung - Defekt? | Techniker-Forum from www.techniker-forum.de
Die vorhandenen leitungen können genutzt werden. Stiebel eltron nachtspeicherofen warmespeicher ets 308 s in ma 1 4 nchen 2 kw schaltplan eltr. Die anschlussstellen befinden sich oft in der nähe des fussbodens. Die nachtspeicherheizung ist eine dezentrale heizung genau wie die infrarotheizung. Bei nachtspeichern gibt es das sogenannte wärmerückhaltevermögen. Analysiert haben wir für den nachtspeicherheizung test 2021 1775 kundenaussagen bei amazon und 0 bei idealo.de. Das so eingesparte geld können sie sinnvoll in eine. Geräteanschlussdose mit dreierteilung up+ap polarweis.

Die bezeichnungen wsp 758 7,5 kw oder wsp 508 5 kw mit den fertigungsnummern f.nr.

Eine neue steuerung besteht aus verschiedenen komponenten die erst einmal richtig v. Auch dann den stromkreis des heizstroms). Nachtspeicheröfen werden heutzutage als flexible stromspeicher gesehen, die in den zeiten der energiewende besser auf das schwankende ökostromangebot reagieren sollen. Denn der einst günstig angebotene nachtstrom ist heute deutlich teurer als das heizen mit öl oder gas. Das wars auch schon ! Achten sie bitte auf die qualifikation des anbieters. Heute wird die nachtspeicherheizung digital gesteuert und benötigt keine vorausplanung mehr. Klar die 400v anschlüsse liegen dann bracht. Analysiert haben wir für den nachtspeicherheizung test 2021 1775 kundenaussagen bei amazon und 0 bei idealo.de. Aufladesteuerung nachtspeicherheizung nachtspeicheafen einstellen nachtspeicher schaltplan. 1 stunde, bei einem durschnittlichen stundensatz von. Eine nachtspeicherheizung hat keinen regler und kann nicht selbst eingestellt werden wie andere heizungen. Die dokumentation zeigt den umbau einer alten nachspeicherheizungsanlage.